Language
中文
English
HOME
ABOUT US
PRODUCTS
Diaphragm accumulator
KHB、KHM Series High Pressure Ball Valve
KHB、KHM Series Three-way high pressure ball Valve
KHP Series Plate ball Valve
KHP3K Series Plate type three-way ball valve
KHB-F3/6、KHM-F3/6 Series SAE Flange Type High Pressure Ball Valve
KHB、KHM Series Flange Type High Pressure Ball Valve
BKH-SAE、MKH-SAE Series High Pressure Ball Valve
SAE Pressure Ball Valve
SAE Pressure Ball Valve
BKH-SAE-FS、MKH-SAE-FS series flanged ball valve
BKH-SAEFS-Lu, MKH-SAEFS-Lu series flanged ball valve
KHSAE Fixed flanged ball valve
Series SAE flanged ball valve KHZ
KH ISO Flanged ball valve
YJZO Series High pressure ball valve
QJH Series High pressure ball valve
CJZO Series High ressure Ball Valve
JZQ Series High pressure ball valve
Q1INS、QFINS Series ball valve
KHNV Series Low Pressure Ball Valve
VH2V、VH3V Series High Pressure Ball Valve
LF Type F throttle valve
JZFS Type High pressure hydraulic globe valve
JZF or JZF high pressure globe valves
QDF Ball type electromagnetic directional valve
DIF of A-Ha or D-Ha Type Straight Check Valve
DIF of A-Ha or D-Ha Type Straight Check Valve
PT Series TestingCoupier
HB Series miniature high-pressure hose connector assembly
CDZ type nitrogen filling vehicle
CQJ series inflatable tools
FPU Box Type N2 Charging Tool
QXF-5 Inflatable valve
NXQ Series accumulator
NXQ Series accumulator capsules
Accumulator firm hoop
Accumulator support
AQF Type Accumulator Safety Ball Valve
AJS、AJ1S、AJD Type Accumulator Safety Group Valve
QFZ Type Control Group Walve for Accumulator
XJF Type Accumulator stop valve
SAF Accumulator safety cut-off valve block
NEWS
Company News
Industry information
DOWNLOAD
CONTACT US
Home
About Us
Products
News
Contact Us
中文
PRODUCTS
Home
Products
JZQ Series High pressure ball valve
Diaphragm accumulator
KHB、KHM Series High Pressure Ball Valve
KHB、KHM Series Three-way high pressure ball Valve
KHP Series Plate ball Valve
KHP3K Series Plate type three-way ball valve
KHB-F3/6、KHM-F3/6 Series SAE Flange Type High Pressure Ball Valve
KHB、KHM Series Flange Type High Pressure Ball Valve
QJH Series High pressure ball valve
JZQ Series High pressure ball valve
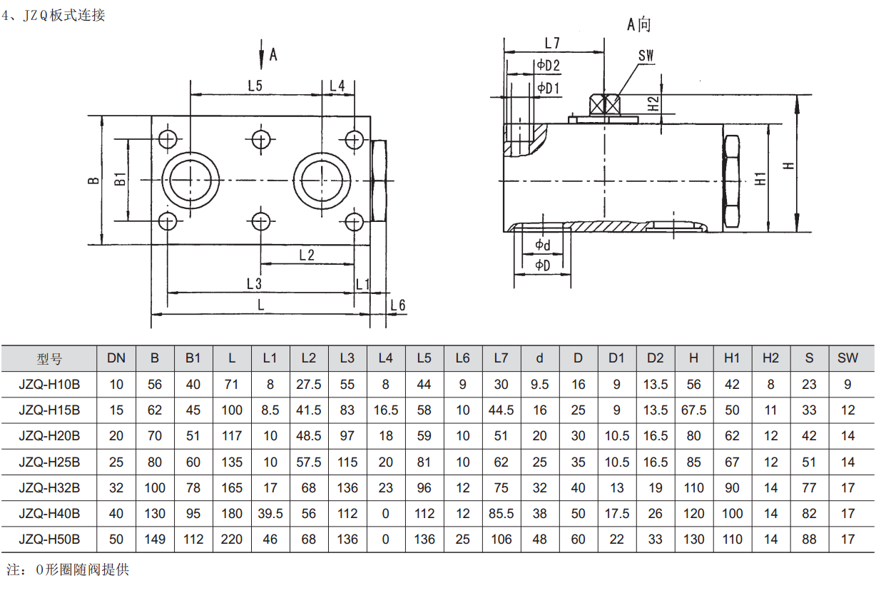
JZQ Series High pressure ball valve
product details
Product inquiry
inquiry Now
ABOUT US
Company Introduction
Production equipment
News
PRODUCTS
Diaphragm accumulator
KHB、KHM Series High Pressure Ball Valve
KHB、KHM Series Three-way high pressure ball Valve
KHP Series Plate ball Valve
KHP3K Series Plate type three-way ball valve
KHB-F3/6、KHM-F3/6 Series SAE Flange Type High Pressure Ball Valve
NEWS
Company News
Industry information
CONTACT US
International Trade Department
TEL:0086-574-88900766
FAX:0086-574-88900766
Domestic Business Department
TEL:0086-574-88900768
FAX:0086-574-88900766
E-mail:zhaofeng315@126.com
Address: No. 88 Dongjiang Road, Economic Development Zone, Fenghua District, Ningbo City, Zhejiang Province
Copyright © 2023 Ningbo Shengrui Hydraulic Machinery Co.,LTD. All rights reserved
TOP
Field 'tiem' doesn't have a default value